DIY Arduino LED Scroll Bar
DIY Arduino LED Scroll Bar
In
this project I am going to share a LED Scroll Bar as
shown in the above picture. Ten
LED strips can flash in different effects by using an Arduino board.
Required Components:
·
LED strip
·
Arduino Nano
·
Dupont line
·
Control board
Steps for making the LED Scroll Bar:
Step 1) Preparation
Cut
the LED strip into 10 pieces and each piece has arbitrary number of LEDs.
Then,
weld the traverse at an interface of the LED strip. Here I prefer to use Dupont line to connect.
Step 2) Design
Make a
control board.
Control board is using to
control the flash pattern of LED strips. Aided by Arduino Nano and equipped with a
keypad, we can make the LED strip flash in different patterns.
Step 2.1) Start with Designing Schematic
To
design my circuit, I choose a free online EDA tool called EasyEDA which is a
one stop design shop for your electronics projects. It offers schematic capture, spice simulation, PCB
design for free and also offers high quality but low price Customized PCB
service. There are a large number of component
libraries in its editor, so you can easily and quickly find your desired parts. Check here the complete tutorial on How to use Easy EDA for making Schematics, PCB
layouts, Simulating the Circuits etc.
You
can access the Schematic diagram of this LED Scroll bar by
following this
link.
Notes: The voltage of the LED strip is 12 V and Arduino
Nano is 5V.
Please remember to add a
power regulator such as AMS1117-5.0.
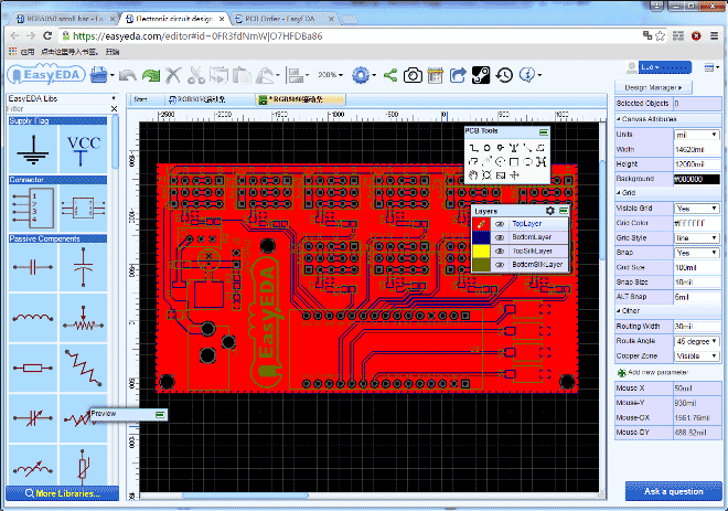
Step 2.2) Create the PCB Layout.
You
can see the PCB layout in the following diagram:
Step 2.3) Make a sample
After
complete the design of PCB, you can click the icon of Fabrication
output above. Then
you will access the page PCB order to download Gerber files of your PCB
and send them to any manufacturer, it’s also a lot easier (and
cheaper)
to order it directly in
EasyEDA.
Here you can select the
number of PCBs you want to order, how many copper layers you need, the PCB
thickness, copper weight, and even the PCB color. After you have selected all of
the options, click “Save
to Cart”
and complete you order, then
you will get your PCBs a few days later.
Step 2.4) Take delivery of the PCB
When I
received the PCBs, I am quite impressed with the quality, they are pretty nice.
Step 2.5) Welding
It is
very easy to make a control board. Just
as the following picture described, as soon as the components are welded, it is
completed.
Step 3) Connection
Connect
the LED strip to the control board and at the same time please pay attention to
the positive and negative of the terminals.
As the
picture showed below.
Step 4) Download a program
Connect
it to a 12 V power supply, download a program (Check the full code below) on the Arduino Nano and run it.
Press
the button to switch flash mode.
If you
want, you can clone
my LED Scroll Bar Schematic and PCB here. Also you can access the Arduino Code, Required
Components and other details of this LED Scroll bar by
following the given link.
Now I
completed my project of scroll bar.
Making
your own LED Scroll Bar creates a lot of fun, and the results can
be very rewarding. Hopefully
this article will help you make a LED Scroll Bar, You can also write
a program to make the LED strip flash in the way you like.
Demo & Code
DIY Arduino LED Scroll Bar
Reviewed by XXX
on
สิงหาคม 27, 2560
Rating:
Reviewed by XXX
on
สิงหาคม 27, 2560
Rating:













ไม่มีความคิดเห็น